Wybór pompy ciepła z buforem lub bez niego to kluczowa decyzja, która wpływa na efektywność systemu grzewczego. Pompa ciepła może działać zarówno z buforem, który stabilizuje jej pracę, jak i bez niego, co może być korzystne w niektórych sytuacjach. W artykule omówimy, kiedy warto zdecydować się na bufor, jakie są jego zalety oraz w jakich warunkach jego zastosowanie może być zbędne.
Bufor pełni istotną rolę w systemach grzewczych, zapewniając odpowiedni przepływ wody oraz minimalizując ryzyko przegrzewania pompy. Dzięki temu, pompa ciepła może pracować w bardziej wydajny sposób, co przekłada się na niższe koszty eksploatacji. W dalszej części artykułu przedstawimy szczegółowe informacje na temat doboru bufora oraz opinie ekspertów na ten temat.
Najistotniejsze informacje:
- Bufor zwiększa stabilność pracy pompy ciepła, co wydłuża jej żywotność.
- W instalacjach z grzejnikami bufor jest niezbędny, aby uniknąć taktowania pompy.
- Wybór pojemności bufora zależy od mocy pompy i specyfiki instalacji.
- Bufor działa jako magazyn energii cieplnej, co zwiększa efektywność systemu.
- Decyzja o zastosowaniu bufora powinna być podejmowana indywidualnie, w zależności od projektu instalacji.
Wybór pompy ciepła z buforem - zalety i korzyści dla efektywności
Decydując się na pompa ciepła z buforem, zyskujemy wiele korzyści, które mogą znacząco wpłynąć na efektywność całego systemu grzewczego. Bufor pełni kluczową rolę, stabilizując pracę pompy, co pozwala na uniknięcie częstego włączania i wyłączania urządzenia. Dzięki temu pompa ciepła działa w bardziej optymalnych warunkach, co przekłada się na wydajność energetyczną oraz dłuższą żywotność.
Wprowadzenie bufora do instalacji grzewczej pozwala również na lepsze zarządzanie energią. Bufor działa jako magazyn ciepła, co oznacza, że gromadzi nadmiar energii, gdy zapotrzebowanie na ciepło jest niskie, a następnie oddaje ją, gdy jest to potrzebne. To z kolei prowadzi do niższych kosztów eksploatacji i bardziej efektywnego działania całego systemu grzewczego.
- Stabilizacja pracy pompy ciepła, co wydłuża jej żywotność.
- Redukcja kosztów energii dzięki efektywnemu zarządzaniu ciepłem.
- Możliwość pracy w dłuższych cyklach, co zmniejsza ryzyko przegrzewania.
- Zapewnienie odpowiedniego przepływu wody, co jest kluczowe dla prawidłowej pracy pompy.
- Magazynowanie energii cieplnej, co zwiększa efektywność systemu.
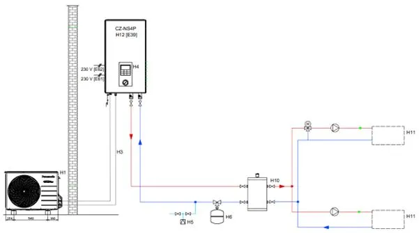
Jak dobrać odpowiedni bufor do pompy ciepła?
Wybór odpowiedniego bufora do pompy ciepła jest kluczowy dla efektywności całego systemu grzewczego. Istnieje kilka czynników, które należy wziąć pod uwagę przy określaniu odpowiedniej pojemności bufora. Przede wszystkim, należy uwzględnić moc pompy ciepła oraz rozmiar instalacji. W domach jednorodzinnych minimalna pojemność bufora powinna wynosić co najmniej 100 litrów, natomiast w większych budynkach, gdzie zapotrzebowanie na ciepło jest wyższe, może być potrzebny bufor o pojemności nawet 2000 litrów.
Oprócz mocy pompy, warto również rozważyć cel zastosowania bufora. Jeśli planujemy korzystać z taryfy nocnej, bufor powinien być dostosowany do gromadzenia nadmiaru ciepła w nocy i oddawania go w ciągu dnia. Rekomendacje dotyczące montażu bufora powinny być konsultowane z instalatorem, aby dostosować rozwiązanie do specyfiki instalacji. Bufor można montować równolegle lub szeregowo w zależności od potrzeb systemu.
Czytaj więcej: Pompa ciepła jednofazowa czy trójfazowa – która jest bardziej opłacalna?

Opinie ekspertów na temat pompy ciepła z buforem
Eksperci w dziedzinie ogrzewania i energii odnawialnej często podkreślają znaczenie bufora w systemach z pompa ciepła. Na przykład, inżynierowie z firmy EcoTherm zauważają, że zastosowanie bufora w instalacjach z ogrzewaniem podłogowym znacząco poprawia stabilność temperatury w pomieszczeniach. Dzięki temu unika się skoków temperatury, co jest szczególnie ważne w domach jednorodzinnych, gdzie komfort użytkowników jest kluczowy. W praktyce, wiele instalacji z buforem wykazuje lepszą efektywność energetyczną. Przykładem może być projekt w Warszawie, gdzie zainstalowano bufor o pojemności 1000 litrów w dużym domu jednorodzinnym. Dzięki temu rozwiązaniu, właściciele domu zauważyli spadek kosztów ogrzewania o około 30% w porównaniu do wcześniejszego systemu bez bufora. Takie realne przypadki potwierdzają, że pompa ciepła z buforem to rozwiązanie, które przynosi wymierne korzyści.- Instalacja bufora poprawia stabilność temperatury w pomieszczeniach.
- Realne przykłady pokazują spadek kosztów ogrzewania o 30% w domach z buforem.
- Eksperci rekomendują bufor w instalacjach z ogrzewaniem podłogowym dla lepszej efektywności.
Innowacyjne rozwiązania w systemach grzewczych z buforem
W miarę jak technologia się rozwija, coraz więcej instalacji pompa ciepła z buforem korzysta z nowoczesnych rozwiązań, takich jak inteligentne systemy zarządzania energią. Te systemy umożliwiają optymalizację pracy pompy ciepła w oparciu o dane dotyczące zużycia energii oraz prognozy pogodowe. Dzięki temu możliwe jest jeszcze lepsze dostosowanie pracy bufora do rzeczywistych potrzeb użytkowników, co przekłada się na dalsze oszczędności i zwiększenie efektywności energetycznej.Innym ciekawym kierunkiem jest integracja systemów buforowych z odnawialnymi źródłami energii, takimi jak panele fotowoltaiczne. W takich rozwiązaniach bufor nie tylko gromadzi ciepło, ale także energię elektryczną, co pozwala na maksymalne wykorzystanie energii słonecznej do zasilania pompy ciepła. Takie podejście nie tylko zwiększa niezależność energetyczną gospodarstw domowych, ale również przyczynia się do zmniejszenia emisji CO2, co jest kluczowe w kontekście ochrony środowiska.
